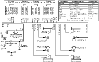
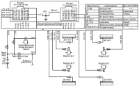
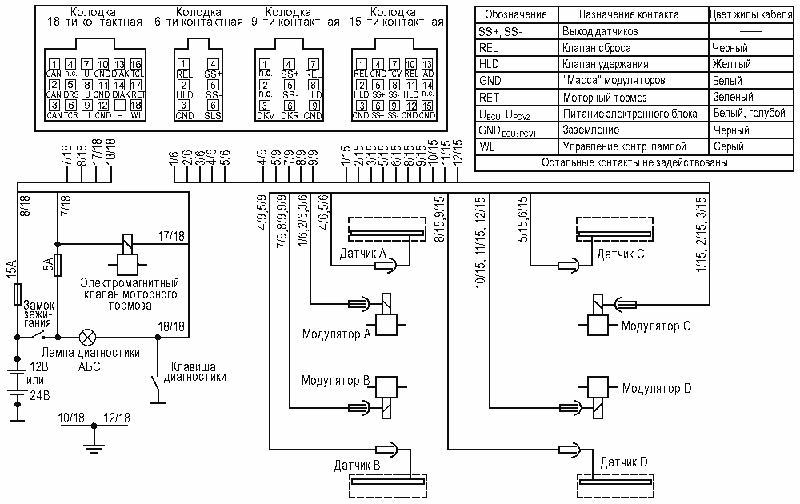
Пневмопривод шасси оборудован 4-хканальной антиблокировочной системой (АБС) типа 4S/4M (4 датчика /4 модулятора) фирмы «Wabco...» или фирмы «Knorr-Bremse» (Германия) или НП РУП «ЭКРАН» (Беларусь).
Основное назначение системы — автоматическое поддержание оптимального торможения автобуса Нефаз без блокировки (юза) колес независимо от того, на какой дороге происходит торможение — скользкой или сухой.
АБС состоит из датчиков угловой скорости вращения колес, модуляторов тормозного давления, электромагнитного клапана отключения вспомогательной тормозной системы, электронного блока управления, реле, блока предохранителей, соединительных кабелей, диагностической лампы и клавиши диагностики.
Принципиальные схемы подключения АБС приведены на Рисунке 167 — Принципиальная схема подключения АБС ф. «Wabco...» и НП РУП «ЭКРАН» и Рисунке 166 — Принципиальная схема подключения АБС ф. «Knorr-Bremse».

Рисунок 166 — Принципиальная схема подключения АБС ф.
«Knorr-Bremse»

Рисунок 167 — Принципиальная схема подключения АБС ф.
«Wabco...» и НП РУП «ЭКРАН»






