Регулятор частоты вращения — всережимный, прямого действия, изменяет количество топлива, подаваемого в цилиндры, в зависимости от нагрузки, поддерживая заданную частоту вращения коленчатого вала.
Регулятор установлен в развале корпуса ТНВД .

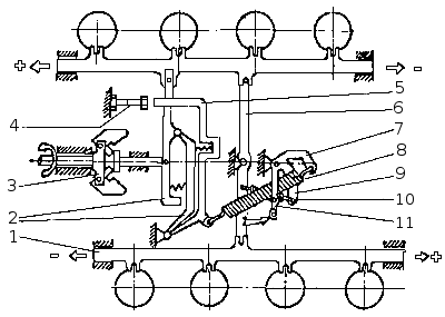
ТНВД: 1 — корпус; 2 — толкатель; 3 — пружина толкателя; 4 — поворотная втулка; 5, 41 — рейка; 6 — корпус секции ТНВД; 7 — плунжер; 8 — втулка плунжера; 9 — корпус нагнетательного клапана; 10 — нагнетательный клапан; 11 — штуцер; 12 — прокладка; 13 — насос топливоподкачивающий; 14, 17 — крышка регулятора задняя; 15 — толкатель; 16 — сухарь ведущего зубчатого колеса регулятора; 18, 33 — регулировочные прокладки; 19 — державка грузов; 20 — ось груза; 21 — упорный подшипник; 22 — груз; 23 — муфта грузов; 24 — палец; 25 — возвратная пружина рычага останова; 26 — корректор; 27 — верхняя крышка регулятора; 28 — рычаг пружины регулятора; 29 — перепускной клапан; 30 — втулка рейки ТНВД; 31 — пробка рейки; 32 — муфта опережения впрыскивания топлива; 34 — подшипник; 35 — кулачковый вал; 36 — ведущее зубчатое колесо регулятора; 37 — фланец; 38 — эксцентрик привода насоса топливоподкачивающего; 39 — рычаг стартовой пружины; 40 — главная пружина регулятора; 42 — стартовая пружина; 43 — рычаг реек; 44 — рычаг регулятора; 45 — рычаг муфты грузов; 46 — ось; 47, 48 — шайбы регулировочные; 49 — сухарь.
На кулачковом валу наcoca размещено ведущее зубчатое колесо 36 регулятора, вращение которому передается через резиновые сухари 16. Ведомое зубчатое колесо выполнено как одно целое с державкой грузов, вращающейся на двух шариковых подшипниках. При вращении державки грузы 22, качающиеся на осях 20, под действием центробежных сил расходятся и через упорный подшипник 21 перемещают муфту 23.
Муфта, упираясь в палец 24, в свою очередь, перемещает рычаг муфты грузов 45. Один конец рычага закреплен на оси 46, а другой через штифт соединен с рейкой топливного насоса. Рычаг 11 (рис. Схема работы регулятора частоты вращения) управления регулятором жестко связан с рычагом 7. К рычагу 7 присоединена пружина 8, к рычагам 9 и 6 - стартовая пружина 10.

Схема работы регулятора частоты вращения: 1 — рейка ТНВД; 2 — рычаг муфты грузов; 3 — державка; 4 — регулировочный болт подачи топлива; 5 — рычаг регулятора; 6 — рычаг реек; 7 — рычаг пружины; 8 — пружина регулятора; 9 — рычаг стартовой пружины; 10 — стартовая пружина; 11 — рычаг управления регулятором.
Во время работы регулятора центробежные силы грузов уравновешены усилием пружины 8. При увеличении частоты вращения коленчатого вала грузы, преодолевая сопротивление пружины 8, перемещают рычаг 2 муфты грузов с рейкой ТНВД - подача топлива уменьшается. При понижении частоты вращения коленчатого вала центробежная сила грузов уменьшается, и рычаг 2 с рейкой ТНВД под действием усилия пружины перемещается в обратном направлении - подача топлива и частота вращения коленчатого вала увеличиваются.
Подача топлива прекращается поворотом рычага 3 (рис. Крышка регулятора ТНВД) останова двигателя до упора в болт 6. При этом рычаг 3, преодолев усилие пружины 8 (рис. Схема работы регулятора частоты вращения), через штифт 47 (рис. ТНВД) повернет рычаги 2 и 5, рейка переместится до полного прекращения подачи топлива.

Крышка регулятора ТНВД: 1 — рычаг управления регулятором; 2 — болт ограничения минимальной частоты вращения; 3 — рычаг останова двигателя: 4 — пробка заливного отверстия; 5 — болт регулировки пусковой подачи; 6 — болт ограничения хода рычага останова; 7 — болт ограничения максимальной частоты вращения; А — работа; В — включено.
При снятии усилия с рычага останова двигателя он под действием пружины 25 (рис. ТНВД) возвратиться в рабочее положение.






