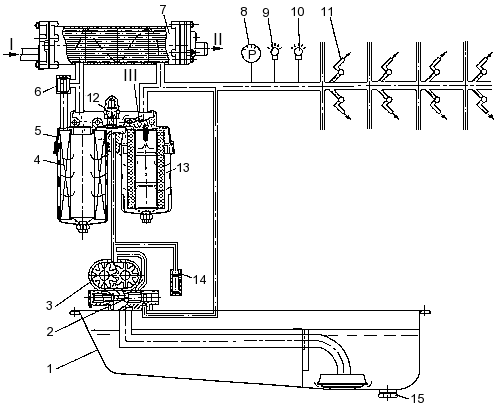
Смазочная система двигателя — комбинированная с «мокрым» картером. Система включает масляный насос, фильтр очистки масла, водомасляный теплообменник, масляный картер, маслоналивную горловину, направляющую трубку и указатель уровня масла. Схема смазочной системы показана на одноименном рисунке. Из картера 1 масляный насос 3 подает масло в фильтр 5 очистки масла и через водомасляный теплообменник 7 в главную магистраль, и далее к потребителям.
В смазочную систему также включены клапан 2 системы, обеспечивающий давление в главной масляной магистрали 392-539 кПа (4,0-5,5 кгс/см2) при номинальной частоте вращения коленчатого вала двигателя, предохранительный клапан 14, отрегулированный на давление 931-1127 кПа (9,5-11,5 кгс/см2), перепускной клапан 6, отрегулированный на срабатывание при перепаде давления на фильтре 147-216 кПа (1,5-2,2 кгс/см2) и термоклапан 12 включения водомасляного теплообменника.
Термоклапан включения водомасляного теплообменника 4 состоит из подпружиненного поршня 8 с термосиловым датчиком 7. При температуре ниже 93 °С поршень 8 находится в верхнем положении и основная часть потока масла, минуя теплообменник, поступает в двигатель. При достижении температуры 93-97 °С масла, омывающего термосиловой датчик 7, активная масса, находящаяся в баллоне, начинает плавиться и, увеличиваясь в объеме, перемещает шток датчика и поршень 8 вниз. При температуре масла 108-112 °С поршень разобщает полости в фильтре до и после теплообменника и весь поток масла идет через теплообменник.
При превышении температуры масла выше 115 °С срабатывает датчик температуры и на щитке приборов загорится сигнализатор.
Водомасляный теплообменник 4 — кожухотрубного типа, сборный, установлен на масляном фильтре. Внутри трубок проходит охлаждающая жидкость из системы охлаждения двигателя, снаружи — масло. Со стороны масла трубки имеют оребрение в виде охлаждающих пластин. Поток масла в теплообменнике четыре раза пересекает трубки с водой, чем достигается высокая эффективность охлаждения масла.
Масляный картер штампованный, крепится к блоку цилиндров через резинопробковую прокладку.
Момент затяжки болтов крепления картера 8,0-17,8 Н.м (0,8-1,8 кгс.м).
Маслоналивная горловина и указатель уровня масла расположены на передней крышке картера.

Рисунок 49 — Смазочная система
1 — масляный картер; 2 — клапан
смазочной системы; 3 — масляный насос; 4 — полнопоточный элемент фильтра; 5 —
масляный фильтр; 6 — перепускной клапан; 7 — водомасляный теплообменник; 8 —
указатель давления масла; 9 — сигнализатор аварийного падения давления масла; 10
— сигнализатор перегрева масла; 11 — форсунки охлаждения поршней; 12 —
термоклапан; 13 — частично-поточный элемент фильтра; 14 — клапан
предохранительный; 15 — пробка сливного отверстия; I — отвод охлаждающей
жидкости; II — подвод охлаждающей жидкости; III — слив в масляный
картер






