Карданный вал рекомендуется разбирать только в случае неисправности для замены деталей. Нельзя пользоваться молотком для разборки шарнира.
Перед рассоединением шлицевого соединения необходимо убедиться в сохранности меток на трубах карданных валов, если метки не обнаружены нанести новые ударным способом или краской, с тем, чтобы при сборке их совместить.
После замены деталей необходимо динамически отбалансировать карданный вал при оборотах 2000 мин-1 с любой установки с точностью 230 г.см. Дисбаланс устранять приваркой балансировочных пластин к концам трубы и шлицевой втулки.
При любой установке карданного вала допустимый дисбаланс должен быть не больше величин, указанных ниже.
|
Обозначение |
Допустимый |
|
5297-2201011-20 |
90 |
|
54105-2205011-10 |
115 |
|
43114-2205011 |
115 |
После балансировки нанести метки на трубах карданных валов друг против друга для отметки сбалансированного комплекта.
Ремонт карданного вала с круглыми фланцами
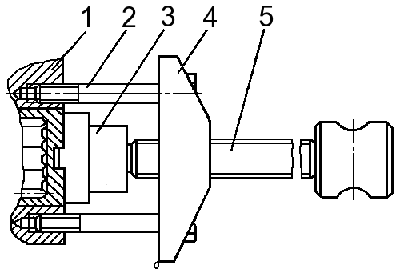
Для снятия подшипников карданного вала с круглыми фланцами нужно использовать съемник И801.33.000. Предварительно надо снять опорные пластины фланца-вилки, разогнув стопорную пластину, и вывернуть болты. Ввернуть болты 2 съемника (Рисунок 131 — Снятие съемником подшипников карданных валов) в отверстия вилки из-под болтов, упираясь наконечником 3 в подшипник, ввернуть винт 5 в траверсу 4 до выпрессовки смежного подшипника на (15-20) мм.

Рисунок 131 —
Снятие съемником подшипников карданных валов
1 — вилка; 2 — болт; 3 —
наконечник; 4 — траверса; 5 — винт
Обернуть полоской наждачной шкурки выступающую часть подшипника и вынуть его из вилки. Так же снять второй подшипник вилки. Выпрессовать манжеты торцового уплотнения и снять фланец-вилку.
Для снятия крестовины необходимо снять подшипники и манжеты торцовых уплотнений вилки вала.
Сборку шарнира следует производить только с использованием новых или вполне пригодных манжет из числа снятых ранее. Перед сборкой шарниров карданного вала масляные каналы крестовины заполнить полностью смазкой № 158.
Напрессовку торцовых манжет рекомендуется производить с использованием специальных оправок (Рисунок 132 — Оправка для напрессовки торцового уплотнения на шип крестовины).

Рисунок 132 —
Оправка для напрессовки торцового уплотнения на шип крестовины
Перед установкой игольчатых подшипников надо заложить 2 г смазки № 158 в полость между рабочими кромками торцовой манжеты. В игольчатые подшипники перед сборкой заложить в каждый подшипник карданного вала 5,5 г смазки № 158.
Сборку крестовины с вилками производить одним из двух способов:
- торцовые манжеты предварительно напрессовать на два смежных шипа крестовины, после этого крестовину установить в вилку. Остальные торцовые манжеты установить на шипы через отверстия для подшипников в вилках и напрессовать на посадочный поясок шипа;
- крестовину без торцовых манжет установить в вилки и после этого на шипы крестовины через отверстия для подшипников напрессовать торцовые манжеты.
Сборку шарнира с подшипниками необходимо производить только с применением ручного пресса. После запрессовки подшипников установить опорные и стопорные пластины. Болты затянуть с моментом 14-17 Н.м (1,4-1,7 кгс.м) и застопорить загибанием одного из ушков стопорной пластины к грани головки каждого болта.
Сборка шарнира с применением молотка недопустима, т. к. из-за создавшегося в шарнире противодавления подшипник не встанет на место, а сопряженные с ним детали могут быть повреждены.
Если необходимо смазать шлицевое соединение карданного вала, нужно разобрать вал, промыть шлицевое соединение, заложить в него свежий смазочный материал и снова собрать вал. Во время сборки карданного вала нужно следить за тем, чтобы стрелки, выбитые на трубах и скользящих вилках, были расположены одна против другой.
При смазывании шлицевого соединения в полость шлицевой втулки карданного вала следует заложить 400 г смазки Литол-24.
Для того чтобы удалить лишний воздух из внутренней полости соединения и равномерно смазать шлицы, нужно три-четыре раза переместить скользящую вилку в шлицевой втулке при отпущенной гайке крепления манжеты шлицевого соединения.
Ремонт карданных валов с торцовыми шлицами
Для разборки шарниров карданных валов с торцовыми шлицами необходим пресс усилием до 2 т, так как подшипники в проушинах запрессованы с натягом. Перед разборкой рекомендуется выдержать шарнир в дизельном топливе или керосине до 30 мин. Выпрессовывать подшипники крестовин ударным способом запрещается. После разборки шлицевое соединение промыть, а крестовины с подшипниками
Сборка карданных валов с торцовыми шлицами
Сборку шарниров вала с торцовыми шлицами производить в следующей последовательности: перед сборкой в полость каждого подшипника заложить (11-13) г смазки № 158, затем на крестовину установить торцовые уплотнения. Завести крестовину в проушины вилки, запрессовать один из подшипников в проушину вилки на прессе, плавно поднимая усилие запрессовки.
При сборке не применять ударный метод, это приведет к разрушению полиамидной шайбы на донышке подшипника. В канавку вилки установить стопорное кольцо, желательно среднего размера, из набора колец. Перевернуть крестовину и, воздействуя прессом на шип крестовины через отверстие в проушине, переместить подшипник до упора в поставленное стопорное кольцо.
Затем запрессовать второй подшипник до упора в торец шипа крестовины, замерить размер от торца подшипника до буртика канавки, при этом точность замера должна быть не менее 0,01 мкм. Подобрать размер стопорного кольца из набора, обеспечив зазор между стопорным кольцом и буртиком канавки (0,01-0,05) мм. Возможен метод замера зазора набором щупов, толщиной от 1,97 до 2,11 мм через каждые 0,005 мкм.
При отсутствии возможности точного замера названного зазора можно устанавливать стопорные кольца методом подбора, начиная с наибольшей толщины, последовательно переходя к меньшему размеру. Вслед за непроходным кольцом, следующее по размеру проходное кольцо должно войти в канавку под действием сил упругости.
Таким же способом собираются следующие два шипа крестовины.
После сборки вилки шарниров при вращении их вокруг шипов, крестовин в обоих направлениях вручную должны плавно поворачиваться. Момент поворота должен быть не более 5 Н.м (0,5 кгс.м).
Заменить уплотнение шлицевого соединения, предварительно раскернив обойму.
Перед соединением шлицы карданного вала смазать смазкой Литол-24. При соединении совместить метки, выбитые на трубах карданного вала.
Внимание. Неправильное соединение шлицевого соединения, при котором вилки карданного вала окажутся развернутыми, приводит к значительному неравномерному вращению ведомых валов соединяемых агрегатов, что приводит к резонансному явлению и разрушению деталей, например, в коробке передач могут разрушиться синхронизаторы второй — третьей передачи.






