Конструкция гидромеханической передачи Diwa
Конструкция ГМП Diwa показана на рисунке 265 и рисунке 266.

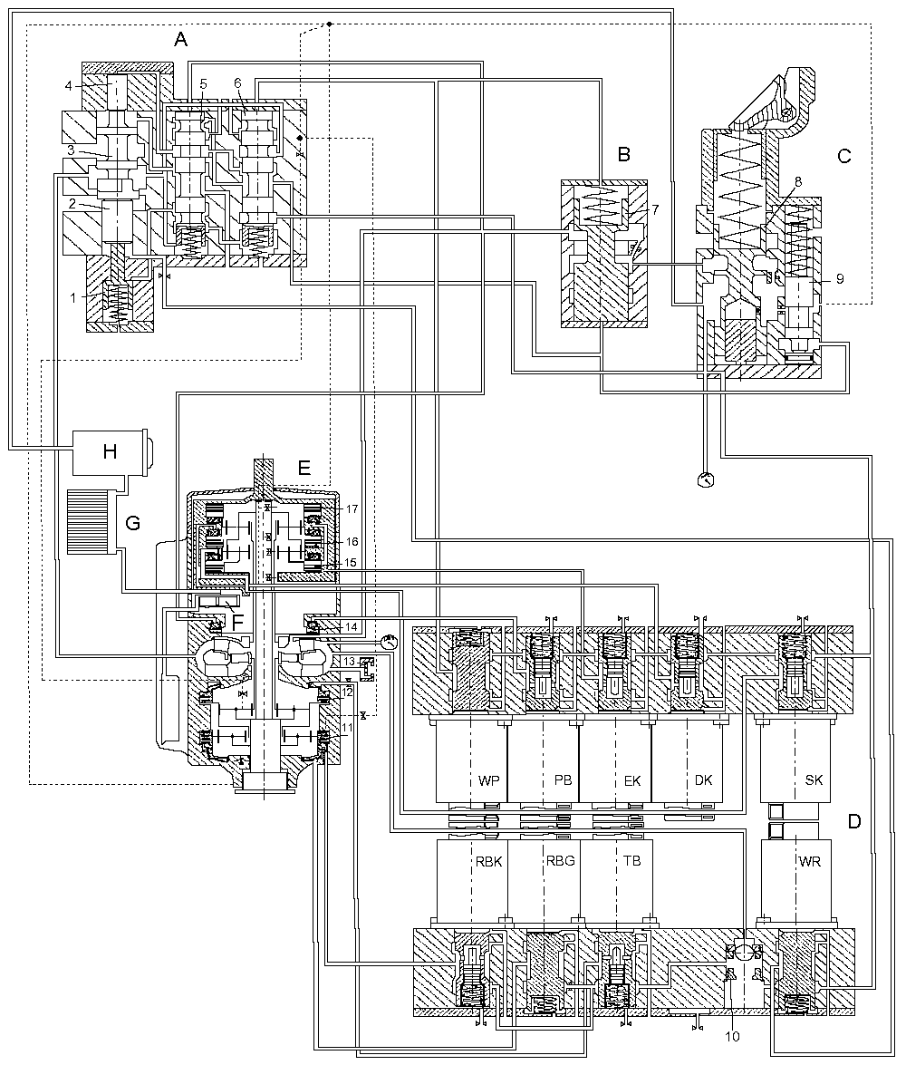
Рисунок 265 — Продольный разрез 3-х ступенчатой ГМП

Рисунок 266 — Продольный разрез 4-х ступенчатой ГМП:
А — привод; В —
входной дифференциал (распределительная передача); С — гидротрансформатор (Р —
насосное колесо; Т — турбинное колесо; L — реактор гидротрансформатора); D —
механический редуктор (состоит из планетарных механизмов тормоза и заднего
хода); Е — узел отбора мощности; а — вал ведущий; b — демпфер крутильных
колебаний; с — сцепление входное (ЕК); d — сцепление промежуточное (DK); d1 —
сцепление 4-ой передачи (SK); е — сцепление насосного колеса (РВ); f — сцепление
турбинного колеса (ТВ); g — сцепление узла тормоза и заднего хода (RB); h — вал
выходной; i — теплообменник; k — планетарный механизм заднего хода; l —
планетарный механизм тормоза; m — поддон; n — насос шестеренный; о — колесо
солнечное; р — сателлит; q — водило входного дифференциала
ГМП состоит из:
- привода А, содержащего демпфер крутильных колебаний b, установленного на ведущий вал а;
- входного дифференциала В, состоящего из сцеплений входного ЕК — с, промежуточного DK — d и планетарного механизма. Для 4-х ступенчатой ГМП входной дифференциал дополнительно оснащен сцеплением и планетарным механизмом 4-ой передачи SK-d1 (см. Рисунок 265);
- гидродинамического трансформатора С, который может работать в режиме гидрозамедлителя, состоящего из узлов: насосного колеса Р, реактора L и колеса турбины Т;
- механического редуктора D, узел тормоза и заднего хода, состоящего из двух планетарных механизмов l, к и сцеплений f, g;
- узла отбора мощности Е, состоящего из крышки выходной части, на которой установлены индуктивные датчики, привод спидометра, вала выходного h с фланцем присоединения к карданному валу трансмиссии.
В конструкции ГМП применены планетарные дифференциальные механизмы, находящиеся в постоянном зацеплении. Для повышения нагрузочной способности, долговечности и снижения шума зацепления планетарных механизмов выполнены косозубыми со шлифованными профилями.
Демпфер крутильных колебаний. Для защиты двигателя и всей силовой трансмиссии от возникновения крутильных колебаний между двигателем и ГМП устанавливается маслонаполненный демпфер крутильных колебаний, который передает крутящий момент двигателя на ведущий вал ГМП. Демпфирование происходит за счет вытеснения масла из специально профилированных камер, расположенных по окружности. Варианты исполнения демпферов подбираются для каждого маховика. Для ГМП DIWA.3E применяется демпфер типа HTSD 365, имеющий максимальную величину снижения крутящего момента, благодаря чему уменьшается шум и колебания входного вала, увеличивается срок службы и существенно повышается комфортность.
Гидродинамический трансформатор С, преобразующий передаваемый крутящий момент, предназначен для бесступенчатого автоматического изменения силы тяги на колесах транспортного средства в зависимости от сопротивления движению. Поток масла в гидротрансформаторе движется в закрытом объеме реактора L между насосным Р и турбинным Т колесами. В зависимости от направления потока масла гидротрансформатор может работать не только с изменением величины силы тяги, но и менять направление тяги, т. е. работать в режиме гидрозамедлителя. Отличие гидротрансформаторов ГМП 2-й и 3-й конструктивных серий в разных диаметрах исполнения, которые не взаимозаменяемы. Больший активный диаметр гидротрансформатора ГМП DIWА.3Е имеет лучший пиковый КПД, который при тяге ведет к уменьшению расхода топлива. Дополнительно введен воздушный клапан 13 (см. Рисунок 268) для обогащения масла воздухом при активной подаче его в гидротрансформатор.
Входной дифференциал В расположен перед гидротрансформатором и является распределительным планетарным механизмом, обеспечивающим:
- отсоединение двигателя от трансмиссии при его запуске, кратковременных остановках и режиме нейтрального положения;
- дифференцированный подвод мощности двигателя к гидротрансформатору и выходному валу на 1-й передаче;
- подвод мощности двигателя к выходному валу на 2-й, 3-й и 4-й передачах;
- подвод мощности двигателя к гидротрансформатору на режиме задний ход.
Входной дифференциал 3-х ступенчатой ГМП состоит из солнечной шестерни о, водила планетарной передачи q с тремя сателлитами р и шестерни коронной с внешними шлицами для входного сцепления с. Входной дифференциал 4-х ступенчатой ГМП имеет дополнительный планетарный ряд и сцепление 4-й передачи d1, что позволяет понизить передаточное отношение ГМП до 0,7 — 0,73.
Солнечная шестерня выполнена на валу привода насосного колеса Р.
Водило планетарной передачи q имеет шлицевое соединение с выходным валом h.
Входной дифференциал ГМП 2-й и 3-й конструктивных серий принципиальных отличий не имеет. Отличие по типам ГМП заключается в разном количестве фрикционных дисков сцепления.
Механический редуктор D состоит из 2-х планетарных передач: тормоза l и заднего хода k.
Передача тормоза состоит из солнечной шестерни, выполненной на валу привода турбинного колеса Т, трех планетарных колес-сателлитов, коронной шестерни и водила, которое шлицами соединено с выходным валом h. Внутренняя поверхность коронной шестерни имеет зубья для зацепления с сателлитами, а на наружной поверхности выполнены шлицы для монтажа фрикционных дисков сцепления турбинного колеса f, коронная шестерня также кинематически связана с солнечной шестерней планетарной передачи заднего хода. Водило механизма заднего хода соединено шлицами с выходным валом h. Коронная шестерня механизма заднего хода кинематически свободна и стопорится многодисковым сцеплением g только при включении режимов:
- задний ход;
- торможение гидрозамедлителем;
- отключение входного сцепления.
Фрикционное сцепление g и механический редуктор D имеют по 2 варианта исполнения R0 или R2, R0L или R2L, выбор зависит от типа автобуса и двигателя.
На ГМП DIWA.3E для замера числа оборотов турбинного колеса установлен индуктивный датчик, в связи с этим изменена конструкция тормоза l. Получаемая информация оптимизирует процесс синхронизации управления гидрозамедлителем.






